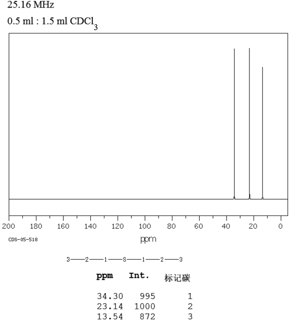
|
国标编号:
|
33568
|
|
CAS:
|
111-47-7
|
|
中文名称:
|
二丙硫醚
|
|
英文名称:
|
dipropyl sulfide
|
|
别 名:
|
二丙基硫;正丙硫醚;硫化二正丙基
|
|
分子式:
|
C6H14S;CH3CH2CH2SCH2CH2CH3
|
|
分子量:
|
118.24
|
|
熔 点:
|
-102.5℃ 沸点:142.4
|
|
密 度:
|
相对密度(水=1)0.84
|
|
蒸汽压:
|
28℃
|
|
溶解性:
|
不溶于水,溶于乙醇、乙醚
|
|
稳定性:
|
稳定
|
|
外观与性状:
|
无色或浅黄色液体,有特殊气味
|
|
危险标记:
|
7(高闪点易燃液体)
|
|
用 途:
|
用于有机合成
|
2.对环境的影响: 一、健康危害 侵入途径:吸入、食入、经皮吸收。 健康危害:吸入、口服或经皮肤吸收,对身体有害。其蒸气对眼睛、皮肤、粘膜和呼吸道有刺激作用。 二、毒理学资料及环境行为 危险特性:易燃,遇高热、明火有引起燃烧的危险。受高热分解产生有毒的硫化物烟气。与强氧化剂接触可发生化学反应。 燃烧(分解)产物:一氧化碳、二氧化碳。 3.现场应急监测方法: 4.实验室监测方法: 气相色谱法,参照《分析化学手册》(第四分册,色谱分析),化学工业出版社 5.环境标准: 6.应急处理处置方法: 一、泄漏应急处理 迅速撤离泄漏污染区人员至安全区,并进行隔离,严格限制出入。切断火源。建议应急处理人员戴自给正压式呼吸器,穿消防防护服。尽可能切断泄漏源,防止进入下水道、排洪沟等限制性空间。小量泄漏:用砂土、干燥石灰或苏打灰混合。大量泄漏:构筑围堤或挖坑收容;用泡沫覆盖,降低蒸气灾害。用防爆泵转移至槽车或专用收集器内,回收或运至废物处理场所处置。 二、防护措施 呼吸系统防护:空气中浓度超标时,佩戴过滤式防毒面具(半面罩)。 眼睛防护:戴化学安全防护眼镜。 身体防护:穿防静电工作服。 手防护:戴防苯耐油手套。 其它:工作现场禁止吸烟、进食和饮水。工作毕,淋浴更衣。注意个人清洁卫生。 三、急救措施 皮肤接触:脱去被污染的衣着,用肥皂水和清水彻底冲洗皮肤。 眼睛接触:提起眼睑,用流动清水或生理盐水冲洗。就医。 吸入:迅速脱离现场至空气新鲜处。保持呼吸道通畅。如呼吸困难,给输氧。如呼吸停止,立即进行人工呼吸。就医。 食入:饮足量水,催吐。就医。 灭火方法:喷水冷却容器,可能的话将容器从火场移至空旷处。灭火剂:泡沫、二氧化碳、干粉、砂土。消防人员须佩戴防毒面具、穿全身消防服。