Details of toxic effects not reported other than lethal dose value
REFERENCE :
CBCCT* "Summary Tables of Biological Tests," National Research Council
Chemical-Biological Coordination Center. (National Academy of Science
Library, 2101 Constitution Ave., NW, Washington, DC 20418)
Volume(issue)/page/year: 7,690,1955
TYPE OF TEST :
LDLo - Lowest published lethal dose
ROUTE OF EXPOSURE :
Subcutaneous
SPECIES OBSERVED :
Rodent - rabbit
DOSE/DURATION :
43400 ug/kg
TOXIC EFFECTS :
Peripheral Nerve and Sensation - spastic paralysis with or without sensory
change
Lungs, Thorax, or Respiration - respiratory stimulation
REFERENCE :
AIPTAK Archives Internationales de Pharmacodynamie et de Therapie. (Heymans
Institute of Pharmacology, De Pintelaan 185, B-9000 Ghent, Belgium) V.4-
1898- Volume(issue)/page/year: 5,161,1899
TYPE OF TEST :
LDLo - Lowest published lethal dose
ROUTE OF EXPOSURE :
Subcutaneous
SPECIES OBSERVED :
Amphibian - frog
DOSE/DURATION :
3800 mg/kg
TOXIC EFFECTS :
Peripheral Nerve and Sensation - spastic paralysis with or without sensory
change
Cardiac - other changes
Lungs, Thorax, or Respiration - respiratory depression
REFERENCE :
AIPTAK Archives Internationales de Pharmacodynamie et de Therapie. (Heymans
Institute of Pharmacology, De Pintelaan 185, B-9000 Ghent, Belgium) V.4-
1898- Volume(issue)/page/year: 5,161,1899
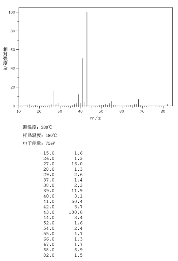
1.周国泰,化学危险品安全技术全书,化学工业出版社,1997 2.国家环保局有毒化学品管理办公室、北京化工研究院合编,化学品毒性法规环境数据手册,中国环境科学出版社.1992 3.Canadian Centre for Occupational Health and Safety,CHEMINFO Database.1998 4.Canadian Centre for Occupational Health and Safety, RTECS Database, 1989